- Wiki
- Módulo
Actividad Secuencial - Contadores y Registros
Realizaciones
- Análisis de Contadores y Registros de desplazamiento comerciales.
- Implementación de circuitos con estos circuitos integrados MSI.
Archivos a entregar en la actividad
- Circuitos con contadores:
- Reloj digital asíncrono:
- Reloj digital síncrono:
- Efecto luminoso con 8 LEDs:
- Efecto luminoso con 10 LEDs:
- Circuitos con registros:
- Efecto luminoso con 4 LEDs:
- Efecto luminoso con 8 LEDs (Cascada):
- Efecto luminoso con 8 LEDs:
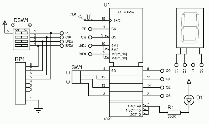
Análisis de un contador integrado
Circuito de prueba. Estudiar el funcionamiento del circuito integrado 4029 utilizando el circuito adjunto.
Cronograma. En el siguiente cronograma se muestra su funcionamiento en modo binario: Conteo de 0 a 15. Cuando esté en modo década, conteo de 0 a 9, su funcionamiento es muy similar.
Tabla de funcionamiento. Información aportada por el fabricante. Pueden consultarse PDFs adicionales.
1.1) Patillaje. Utilizando toda la información anterior: Circuito y datos, indica el nombre y la función de las patillas del integrado en cuestión. Téngase en cuenta que en la documentación de los fabricantes las patillas pueden recibir diferentes nombres a los de esta lista, pero el funcionamiento es idéntico.
- CLK o CP (pin 15):
- PE o PL (pin 1):
- CI# o CE# (pin 5):
- U/D# o UP/DN# (pin 10):
- B/D# o BIN/DEC# (pin 9):
- CO# o TC# (pin 7):
- P0…P3 (pines 4, 12, 13 y 3):
- O0..3 (pines 6, 11, 14, 2):
1.2) Descripción de su funcionamiento. Indica qué es lo que hace este integrado y un resumen de su funcionamiento.
Circuitos con contadores
Reloj digital asíncrono
Dígitos. Utilizando como base principal el anterior contador, realiza un reloj digital que muestre la siguiente información:
- Utiliza en lo posible conectores para simplificar el cableado y evitar los cruces de conexiones.
Procedimiento. Se recomienda el siguiente procedimiento para su realización:
- Minutos. Comienza por el circuito de unidades de minuto, luego el de decenas de minuto y finalmente los unes para obtener el contador de minutos.
- Horas. Posteriormente realizas idéntico proceso con los dígitos de las horas y finalmente unes los minutos y las horas.
2.1) Circuito. Indica a continuación el circuito que has realizado, con funcionamiento asíncrono.
2.2) Funcionamiento. Explica el conexionado en cascada y su funcionamiento para obtener el reloj digital.
- Conexión asíncrona:
- Avance de minutos:
- Avance de horas:
- Reset de minutos:
- Reset de horas:
Reloj digital síncrono
Con las mismas premisas del circuito anterior, realiza una solución de funcionamiento síncrona.
3.1) Solución síncrona. Indica a continuación el circuito que has realizado.
3.2) Funcionamiento. Explica el conexionado y su funcionamiento para obtener el reloj digital.
- Conexión síncrona:
- Avance de minutos:
- Avance de horas:
- Reset de minutos y horas:
Efecto luminoso con 8 LEDs
Descripción. Realizar un circuito semejante al del coche fantástico, utilizando 8 LEDs: Un único LED iluminado recorre una hilera de LEDs, hacia derechas y luego hacia izquierdas, repitiéndose el proceso indefinidamente.
Materiales. Implementarlo usando un contador 4029 y un DCOD 74HC138 como componentes principales. En cualquier caso, el DCOD utilizado debe ser obligatoriamente octal y con salidas activas a nivel bajo.
4.1) Circuito. Indica a continuación el circuito que has realizado.
4.2) Funcionamiento. Explica el funcionamiento del mismo.
Efecto luminoso con 10 LEDs
Descripción. Realizar un circuito semejante al del coche fantástico con 10 LEDs.
Materiales. Implementarlo usando el contador 4029 y un DCOD 4028 como componentes principales. En cualquier caso, el DCOD usado debe ser obligatoriamente decimal y con salidas activas a nivel alto.
5.1) Circuito. Indica a continuación el circuito que has realizado.
5.2) Funcionamiento. Explica el funcionamiento del mismo.
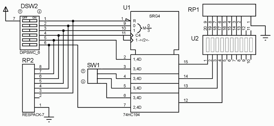
Análisis de un registro universal integrado
Circuito de prueba. Estudiar el funcionamiento del circuito integrado 74HC194 utilizando el circuito adjunto.
Tabla de funcionamiento.
6.1) Patillaje. Utilizando el circuito anterior y la información de su tabla de funcionamiento, indica el nombre y la función de las patillas del integrado en cuestión. En la documentación de los fabricantes pueden recibir diferentes nombres a los de esta lista, pero el funcionamiento es idéntico.
- R (pin 1):
- S0 (pin 9):
- S1 (pin 10):
- CLK (pin 11):
- DSR (pin 2):
- DSL (pin 7):
- D0..3 (pines 3, 4, 5 y 6):
- Q0..3 (pines 15, 14, 13 y 12):
6.2) Descripción de su funcionamiento. Es un registro que almacena 4 bits, 1 nibble o cuarteto. La forma de manejar esa información es variada: Puede introducirla de forma paralela o de forma serie, desplazándola a izquierdas o a derechas. Todo ello depende de las patillas de control S0 y S1. Señala cómo funciona en la siguiente tabla.
| Selección modo | Funcionamiento | |
|---|---|---|
| S1 | S0 | |
| 0 | 0 | |
| 0 | 1 | |
| 1 | 0 | |
| 1 | 1 | |
6.3) Configuraciones básicas. A continuación se proponen diferentes usos del circuito de prueba anterior: Es decir sin modificar ningún cable. Cuando se solicita la explicación del funcionamiento, implica definir perfectamente las entradas que se utilizan y la información que se introduce por cada una de ellas, y de igual forma la salidas de información y cómo se obtiene la información almacenada en los registros internos.
- a) Configuración Paralelo-Paralelo. En el circuito de prueba implementar un registro de desplazamiento paralelo-paralelo y explicar su funcionamiento, indicando la situación de cada patilla.
- b) Configuración Serie-Serie a derechas. En el circuito de prueba implementar un registro de desplazamiento serie-serie con desplazamiento a derechas y explicar su funcionamiento, indicando la situación de cada patilla.
- c) Configuración Serie-Serie a izquierdas. En el circuito de prueba implementar un registro de desplazamiento serie-serie con desplazamiento a izquierdas y explicar su funcionamiento, indicando la situación de cada patilla.
Circuitos con registros
Efecto luminoso con 4 LEDs
Realizar un circuito semejante al del coche fantástico con 4 LEDs. Implementarlo usando como componente principal el registro universal de desplazamiento que estamos usando en estas tareas: 74HC194.
7.1) Circuito. Indica a continuación el circuito que has realizado.
7.2) Funcionamiento. Explica el funcionamiento del mismo.
Efecto luminoso con 8 LEDs (Cascada)
Implementarlo ahora con 8 LEDS, usando dos registros 74HC194 en cascada como componentes principales.
8.1) Circuito. Indica a continuación el circuito que has realizado.
8.2) Funcionamiento. Explica el funcionamiento del mismo.
Efecto luminoso con 8 LEDs
Implementarlo con 8 LEDs, pero usando un registro 74198 como componente principal.
9.1) Circuito. Indica a continuación el circuito que has realizado.
9.2) Funcionamiento. Explica el funcionamiento del mismo.