[LAB] FA: Elektor abril 1983 - Montaje
PCB lado pistas (original revista)
figura 5a
PCB lado componentes (original revista)
figura 5b
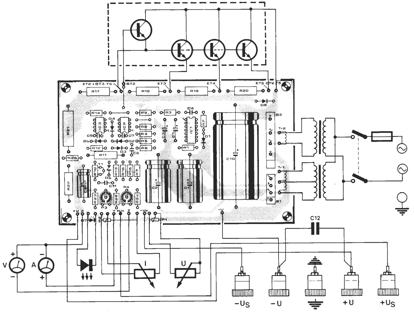
Conexionado completo (original revista)
figura 7
Consideraciones para el montaje final
Potencia
- Antes de lanzarse al montaje hay que determinar la potencia deseada. La versión propuesta suministra 3 amperios hasta 35 V.
- En principio, cualquier otra configuración es permitida con tal de que la tensión no sobrepase la tensión colector-emisor de T2…T5.
- Con los transistores 2N3055 se puede llegar hasta 60 V.
- El número de transistores a poner en paralelo varía según la disipación de potencia. Nuestra experiencia con los transistores 2N3055 nos permite afirmar que estos transistores pueden disipar hasta 50 W. Habida cuenta de que la tensión de salida de la alimentación puede llegar a ser de 0 V, la disipación máxima en la etapa de potencia será igual a la tensión rectificada multiplicada por la corriente máxima. Para una alimentación de 35V/1A, sólo se precisa un 2N3055. Se pueden instalar hasta cinco transistores en paralelo sin que haya necesidad de modificar el circuito. No hay que olvidar proveer a cada transistor de una resistencia de emisor.
- Disipación. Por cada transistor se precisa un radiador de unos 2ºC/W o si se utiliza un solo radiador para dos transistores, habrá de ser de 1ºC/W.
Filtrado
- Los condensadores C9 y C10 deben adaptarse también a las circunstancias funcionales.
- El condensador C12 está dispuesto directamente en los bornes de salida de la alimentación, como se puede ver en la figura 7.
Transformador
- Para determinar la tensión de salida del transformador se podrá hacer referencia al «teorema» siguiente: La tensión de salida máxima a plena potencia es casi igual a la tensión nominal efectiva en el secundario del transformador.
- Así, para un transformador de 33 V, se puede contar con una tensión de salida máxima de unos 35 V.
- Para la corriente que deba entregar de forma continua:
- Se calcula que el transformador debe proporcionar una corriente alterna igual al producto de √2 por la intensidad de la corriente de salida máxima.
- Así, para una corriente de 3 A, el transformador habrá de suministrar unos 4 A.
Puesta a punto
- Las resistencias R4 y R16 se montan durante el procedimiento de ajuste, pues sus valores dependerán de las magnitudes máximas de la tensión y corriente de salida. Por este motivo, no deberá montarse la placa de circuito impreso en la caja del aparato hasta que se haya realizado la prueba y la calibración.
- Ajuste tensión máxima de salida
- Coloque P1 en su posición máxima.
- Alimente el circuito y conecte un polímetro como voltímetro en la salida.
- Por el método de aproximaciones sucesivas, o de tanteo, determine el valor de R4 en paralelo con R5 que proporciona la tensión de salida máxima requerida. Cuando se haya conseguido el valor correcto, puede soldarla en su lugar reservado en la placa.
- Ajuste corriente máxima de salida. Repita la experiencia con P2 y R16 (en paralelo con R15) hasta que encuentre el nivel de corriente máximo.
- La etapa siguiente consiste en poner la alimentación en cortocircuito conectando a su salida un polímetro configurado como amperímetro.
- “Abrir” P2 a fondo.
- Una vez más, se procede por aproximaciones sucesivas para calcular R16.
- Ajuste galvanómetro(s). Sólo nos resta calibrar el galvanómetro con la ayuda de P4 y P3.
- Es posible construir la fuente de alimentación con un solo galvanómetro. En este caso, se requiere un conmutador bipolar para efectuar la conmutación entre los puntos X, Y y Z.
Una vez realizada la puesta a punto, dispondrá de una alimentación fiable, de nivel profesional y a un precio muy accesible… ¡No se puede pedir más!
Disipadores
Pasta térmica
-
- Nula conductividad eléctrica
- Incluye aplicador de precisión y espátula
- Color gris
- Conductividad térmica ≥ 5,15 W/m *K
- Resistencia térmica ≤ 0.004 (ºC*in2)/W
- Gravedad específica ≥ 3.0 g/cm3
- Viscosidad 12.500 CPS
- Índice tixotrópico 330 1/10mm
- Temperatura límite soportada -50 a 340 ºC
- Temperatura de trabajo -30 a 280 ºC
- Componentes
- Compuestos de silicona 10%
- Compuestos de carbono 45%
- Compuestos de metálicos 45%
