[LAB] FA lineales: Rectificación
- El rectificador se encarga de convertir la corriente alterna (CA) que entrega el transformador en una corriente continua (CC).
- Para ello usualmente se emplea un circuito con diodos, que tienen la característica de dejar pasar la corriente sólo en una dirección: cuando el ánodo es positivo con respecto al cátodo.
- Los parámetros mas importantes en un diodo rectificador son:
- La tensión inversa máxima: Tensión entre ánodo y cátodo cuando está polarizado inversamente.
- La corriente directa máxima: Corriente que soporta al estar polarizado en forma directa.
- Dos tipos de de diodos muy usados como rectificadores son el 1N4007, que soporta hasta 1A de corriente directa y el 1N5408 que soporta hasta 3A. Ambos están preparados para trabajar con tensiones inversas de 700 voltios, mas que suficiente para una fuente de alimentación conectada a la red eléctrica.
- Hay tres circuitos básicos de rectificadores: Uno de media onda y dos de onda completa.
Rectificador de media onda
- Es el circuito mas simple y consiste en sólo un diodo conectado a la salida del transformador.

- V1 es la salida del transformador y V2 la salida del rectificador.
- RL es una resistencia que representa el resto del circuito que sigue al rectificador.
- D1 es el diodo rectificador.
- Para explicar el funcionamiento del circuito debemos recordar que la corriente alterna tiene dos semiciclos, de polaridad opuesta, que llamaremos semiciclo positivo y semiciclo negativo.
En el semiciclo positivo, el positivo está conectado al ANODO del diodo y el negativo (a través de la resistencia) al CÁTODO. En esas condiciones, el diodo está polarizado en forma DIRECTA y permite la circulación de corriente a través de él y por la resistencia RL, lo que produce que la tensión de salida tenga la misma forma que la tensión de entrada.
Cuando la tensión a la salida del transformador se invierte, durante el semiciclo negativo, el diodo queda polarizado inversamente y no permite la circulación de corriente. En esas condiciones, la tensión de salida es igual a cero.
En ella vemos como el diodo deja pasar la corriente cuando la tensión en su ánodo es positiva (verde) pero no cuando es negativa (roja). El transformador en esta simulación tiene una relación de transformación de 1, así que la tensión del secundario es igual a la del primario. Así, se puede ver que la tensión pico en la carga es ligeramente menor a la salida del transformador porque cae un voltaje en el diodo.
A la salida del rectificador hay tensión sólo durante los semiciclos positivos de la tensión de entrada. Con ello, la tensión rectificada de media onda dista bastante de un CC ideal, sin variaciones de tensión. Además, la tensión de salida es baja, ya que la mitad del tiempo es cero.
- Este circuito tiene la ventaja de su gran simplicidad (sólo un diodo) pero prácticamente no tiene aplicación.
Rectificador de onda completa
- Rectifica los dos semiciclos de la señal alterna.
- Puede estar construido con 2 diodos o con 4.
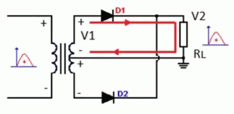
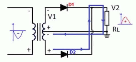
Con transformador de toma intermedia y dos diodos
- Este circuito funciona con dos diodos y un transformador especial, con una derivación al medio de su secundario, lo que divide la tensión de salida en dos partes iguales.
- Durante el semiciclo positivo:
- El punto medio es
menos positivoo negativo respecto al extremo superior que es positivo ymenos negativoo positivo respecto del extremo inferior que es negativo. - En estas condiciones, el diodo D1 está polarizado en forma directa, permitiendo la circulación de corriente a través de RL y el diodo D2 está polarizado en forma inversa, bloqueando la circulación de corriente.
- Durante el semiciclo negativo:
- Ahora el que queda polarizado en forma directa es el diodo D2 y D1 en forma inversa.
- La corriente ahora circula por D2 pero cuando pasa por RL lo hace en la misma dirección que antes, por lo que la tensión de salida tiene la misma forma que en el semiciclo positivo.
- Vemos entonces una diferencia fundamental con el circuito del rectificador de media onda: la corriente circula por RL tanto en el semiciclo positivo como en el negativo. De esta forma la tensión de salida de este circuito se parece mas a una CC ideal. Sin embargo, este circuito tiene la contra de requerir un transformador de toma intermedia en el secundario, lo que puede encarecerlo un poco.



- En la simulación puede apreciarse como la corriente por la resistencia de carga siempre circula en el mismo sentido, proveniente de un diodo y luego del otro.
Con puente de 4 diodos
- Este circuito rectificador emplea cuatro diodos conectados en una configuración llamada puente de Graetz o mas sencillamente puente.
- Durante el semiciclo positivo:
- Los diodos D1 y D3 están polarizados en forma directa, mientras que D2 y D4 lo están en forma inversa.
- Eso crea un circuito para la corriente que circula por RL.
- Durante el semiciclo negativo:
- Los diodos D2 y D4 están polarizados en forma directa, mientras que D1 y D3 lo están en forma inversa.
- En esta condición, el circuito que realiza la corriente es el que se puede apreciar en la figura adjunta.
- Como consecuencia de este funcionamiento, la tensión a la salida del rectificador consta siempre de semiciclos positivos, aunque se invierta la polaridad a su entrada. Esto hace que la forma de la tensión sea igual a la del rectificador de onda completa de dos diodos.
- Algo a tener en cuenta es que en este circuito, la corriente siempre atraviesa dos diodos y cada uno de ellos provoca una caída de tensión, con lo que la tensión disponible a la salida será menor que en el circuito anterior que usa dos diodos.


- La ventaja de este circuito rectificador es que emplea un transformador común, sin punto medio.
- La desventaja es que utiliza mas diodos, sin embargo el costo de estos es mucho mas bajo.
- Este circuito es el mas utilizado como rectificador, lo que ha hecho que se fabriquen puentes de diodos que contienen los cuatro diodos conectados entre si en su interior, para simplificar el montaje.
Fuentes de información